ATLAS COPCO HILIGHT V4 Preventive maintenance

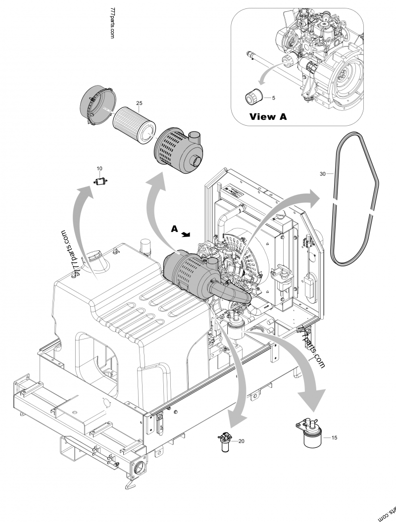
| # | Part No. | Description | Qty |
|---|---|---|---|
| 1 | 30******10 | Service pack 200 hours | |
| 2 | ---- | Oil Filter | 1 |
| 3 | ---- | Pre fuel filter | 1 |
| 4 | 30******20 | Service pak 400 hours | |
| 5 | ---- | Oil Filter | 1 |
| 6 | ---- | Pre fuel filter | 1 |
| 7 | ---- | Fuel Filter WS | 1 |
| 8 | 30******30 | Service pak 800 hours | |
| 9 | ---- | Oil Filter | 1 |
| 10 | ---- | Pre fuel filter | 1 |
| 11 | ---- | Fuel Filter WS | 1 |
| 12 | ---- | Oil Filter | 1 |
| 13 | ---- | Air filter safety cartridge | 1 |
| 14 | ---- | V belt | 1 |
| 15 | ---- | Engine oil | |
| 16 | ---- | Paroil E Mission Green | |
| 17 | 16******00 | Can Paroil E 5 Liter/1.32 Gallon | 1 |
| 18 | 16******00 | Can Paroil E 20 Liter/5.3 Gallon | 1 |
| 19 | 16******00 | Barrel Paroil E 210 Liter/55.5 Gallon | 1 |
| 20 | 16******00 | Container Paroil E 1000 Liter/264.1 Gallon | 1 |
| 21 | ---- | Paroil Extra | |
| 22 | 16******01 | Can Paroil E Extra 5 Liter/1.32 Gallon | 1 |
| 23 | 16******01 | Can Paroil E Extra 20 Liter/5.3 Gallon | 1 |
| 24 | 16******00 | Barrel Paroil Extra 210 Liter/55.5 Gallon | 1 |
| 25 | ---- | Paroil E Mission Green - for stage 3B/Tier 4 engines | |
| 26 | 16******00 | Can Paroil E Mission Green 5 Liter/1.32 Gallon | 1 |
| 27 | 16******00 | Can Paroil E Mission Green 20 Liter/5.3 Gallon | 1 |
| 28 | 16******00 | Barrel Paroil E Mission Green 210 Liter/55.5 Gallon | 1 |
| 29 | ---- | Coolant | |
| 30 | ---- | Parcool EG | |
| 31 | 16******01 | Can Parcool EG concentrate 5 Liter/1.32 Gallon | 1 |
| 32 | 16******01 | Can Parcool EG 5 Liter/1.32 Gallon | 1 |
| 33 | 16******02 | Can Parcool EG 20 Liter/5.3 Gallon | 1 |
| 34 | 16******01 | Barrel Parcool EG 210 Liter/55.5 Gallon | 1 |

