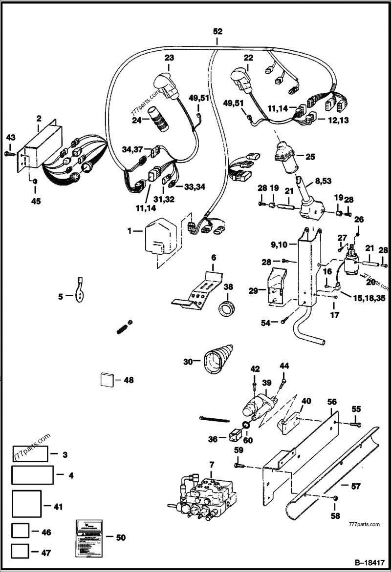
BOBCAT 873 Electrical Controls Circuitry (Advanced Hand Controls Option)

| # | Part No. | Description | Qty |
|---|---|---|---|
| 1 | 66***44 | CONTROLER; NLA - BICS - push to operate - Was 6680444 | 1 |
| 2 | 66***29 | CONTROLLER, AHC; AHC - Was 6674211 | 1 |
| 3 | 67***40 | DECAL; operation | 1 |
| 4 | 67***41 | DECAL; warning | 1 |
| 5 | 67***93 | LEVER; throttle | 1 |
| 6 | 67***65 | STEP | 2 |
| 7 | ---- | VALVE; AHC | 1 |
| 8 | 65***74 | HANDLE; RH | 2 |
| 9 | 67***55 | LEVER RH; RH | 1 |
| 10 | 67***56 | LEVER LH; LH | 1 |
| 11 | 66***96 | CONNECTOR; 8 pin | 2 |
| 12 | 66***73 | CONNECTOR; 6-pin | 1 |
| 13 | 66***81 | LOCK; 6-pin | 1 |
| 14 | 66***83 | LOCK | 2 |
| 15 | 66***00 | BRACKET MOUNTING | 2 |
| 16 | 66***21 | RIVET PLASTIC MALE; NLA - order 6630207 single piece pop rivet - Was 6665321 | 2 |
| 17 | 66***22 | RIVET PLASTIC FEMALE; NLA - order 6630207 single piece pop rivet - Was 6665322 | 2 |
| 18 | 66***06 | CONNECTOR; 3 pin | 2 |
| 19 | 67***90 | BUSHING | 4 |
| 20 | 67***98 | CONTROL; NLA - tilt - RH - Order 6727297 AHC kit - Was 6712398 | 4 |
| 20 | 67***97 | CONTROL; NLA - lift - LH - Order 6727297 AHC kit - Was 6712397 | 1 |
| 21 | 67***43 | SPACER | 4 |
| 22 | 66***59 | HNDL/TILT AHC; RH - Was 6675515 | 1 |
| 22 | 66***90 | PIN | 12 |
| 22 | 66***15 | SOCKET | 3 |
| 22 | 66***76 | SEAL | 12 |
| 22 | 66***47 | DECAL; Was 6677370 | 1 |
| 23 | 66***90 | PIN | 11 |
| 23 | 66***76 | SEAL | 13 |
| 23 | 66***91 | TERMINAL | 2 |
| 23 | 66***63 | HANDLE; LH - Was 6713262 | 1 |
| 24 | 67***49 | GRIP; NLA - Order 6702621 & cut to 28'' long - Was 6703349 | 2 |
| 24 | 67***21 | HANDLE GRIP | 2 |
| 25 | 66***71 | BOOT; Was 6713898 | 2 |
| 26 | 12*10 | NUT | 2 |
| 27 | 67***26 | BOLT | 2 |
| 28 | 25***10 | SCREW | 8 |
| 29 | 67***57 | COVER | 2 |
| 30 | 65***27 | BOOT AND PLATE ASSEMBLY | 2 |
| 31 | 66***99 | CONNECTOR METRI PACK; 3-pin | 1 |
| 32 | 66***00 | LOCK METRI PACK | 1 |
| 33 | 66***78 | CONNECTOR METRI PACK; 2-pin | 1 |
| 34 | 66***80 | LOCK METRI PACK; Use W/ 2-pin connector | 1 |
| 35 | 66***10 | PLUG | 1 |
| 36 | 66***86 | BOOT; Was 6675280 | 2 |
| 37 | 66***79 | CONNECTOR METRI PACK; 2-pin | 1 |
| 38 | 67***26 | PLUG | 1 |
| 39 | 66***76 | ACTUATOR; NLA - tail mount - Order 7104842, see BTI 364 before ordering - Was 6678776 | 2 |
| 39 | 71***42 | ACTUATOR; direct mount - W/Ref. 60 | 2 |
| 40 | 67***67 | MOUNT; actuator | 1 |
| 41 | 67***91 | DECAL; fuse-AHC | 1 |
| 42 | 67***52 | PIN | 2 |
| 43 | 17**12 | BOLT 5 | 3 |
| 44 | 38**06 | BOLT | 2 |
| 45 | 61D4 | NUT 5 | 4 |
| 46 | 67***44 | DECAL | 1 |
| 47 | 67***58 | HANDBOOK, OPERATOR'S W/WIRE ROPE; AHC | 1 |
| 48 | 67***36 | BUMPER RUBBER SQUARE | 2 |
| 49 | 66***07 | CONNECTOR | 2 |
| 50 | 67***39 | DECAL; operation - Was 6717043 | 1 |
| 50 | 67***39 | DECAL; operation - W/O seat sensor | 1 |
| 51 | 66***11 | LOCK | 2 |
| 52 | 67***69 | DIODE; 6 amp | 1 |
| 52 | 67***18 | HARNESS; AHC | 1 |
| 53 | 67***63 | HANDLE; LH | 1 |
| 54 | 66***24 | TAP SCREW | 4 |
| 55 | 67***78 | BOLT | 2 |
| 56 | 67***29 | MOUNT VLV | 1 |
| 57 | 67***67 | BRACE | 1 |
| 58 | 85D5 | NUT PRETRQ HEX LOCK | 3 |
| 59 | 37**12 | BOLT SQ NECK RND HD | 3 |
| 60 | 58**20 | O-RING; Use W/Ref. 39 (7104842 actuator) | 2 |

